نتيجة الإختبار - الفصل الاول-مني تست-قراءة الاميتر
اسم الطالب : حبيبه عادل عبد الله عبد السلام
رقم الموبايل : 01282385143
المدينة : الجيزة
Thursday , 25 September 2025 - 06:59 PM2 من 4
السؤال - 1
عين قراءة شدة التيار في كل فرع بالترتيب
1A-5A
5A-1A
2A-5A
3A-5A
إجابة خاطئة
السؤال - 2
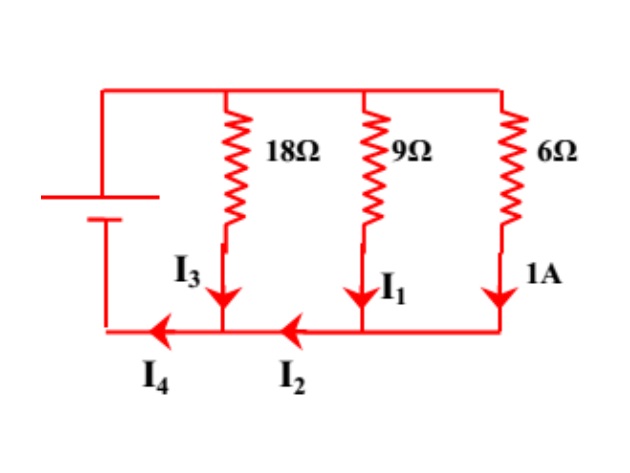
عين قراءة شدة التيار في كل فرع بالترتيب
0.57A-1.67A-0.33A-2.67A
0.67A-2A-0.33A-2.67A
0.67A-1.67A-0.33A-2.67A
0.67A-1.67A-0.33A-3A
إجابة خاطئة
السؤال - 3
عين قراءة شدة التيار في كل فرع بالترتيب
10A-2A
8A-4A
6A-6A
4A-8A
إجابة صحيحة
السؤال - 4
عين قراءة التيار في كل فرع بالترتيب
6A-6A-2A-4A
6A-6A-4A-2A
4A-8A-4A-2A
8A-4A-4A-2A
إجابة صحيحة